描述:
規格:Schedule 80 / CTS
拆裝容易可用于各種型式之管路
特性:
規格:
| 型號 | 尺寸 | 規格 | 材質 | O-環 | 接口 |
| VP-240 | 3/8"~4" | ANSI, JIS, DIN, BS | PVC | EPDM, FPM | Socket, Threaded |
| VP-241 | 3/8"~4" | ANSI, JIS, DIN, BS | CPVC | EPDM, FPM | Socket, Threaded |
| VP-243 | 3/8"~4" | ANSI, JIS, DIN, BS | PVDF | EPDM, FPM | Socket, Threaded |
| VP-244 | 3/8"~4" | ANSI, JIS, DIN, BS | PP | EPDM, FPM | Socket, Threaded |
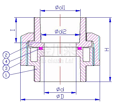
| NO. | PART | MATERIAL | Q'TY |
| 1 | 本體(BODY) | UPVC,CPVC,PP,PVDF | 1 |
| 2 | 外特普(END CONNECTOR) | UPVC,CPVC,PP,PVDF | 1 |
| 3 | 螺帽(UNION NUT) | UPVC,CPVC,PP,PVDF | 1 |
| 4 | O環(O-RING) | EPDM, FPM | 1 |
|
SIZE Nom |
3/8" (10mm) |
1/2" (15mm) |
3/4" (20mm) |
1" (25mm) |
1-1/4" (32mm) |
1-1/2" (40mm) |
2" (50mm) |
2-1/2" (65mm) |
3" (80mm) |
4" (100mm) |
|
| JIS | ?d1 | 18.4 | 22.3 | 26.3 | 32.33 | 38.43 | 48.46 | 60.56 | 76.6 | 89.6 | 114.7 |
| ?d2 | 17.78 | 21.7 | 25.7 | 31.67 | 37.57 | 47.54 | 59.44 | 75.87 | 88.83 | 113.98 | |
| I | 19.05 | 22.2 | 25.4 | 28.6 | 31.8 | 34.9 | 38.1 | 44.45 | 47.63 | 57.15 | |
| ANSI | ?d1 | 17.45 | 21.54 | 26.87 | 33.65 | 42.42 | 48.56 | 60.63 | 73.38 | 89.31 | 114.76 |
| ?d2 | 17.04 | 21.23 | 26.57 | 33.27 | 42.04 | 48.11 | 60.17 | 72.85 | 88.7 | 114.07 | |
| I | 19.05 | 22.22 | 25.4 | 28.58 | 31.75 | 34.93 | 38.1 | 44.45 | 47.63 | 57.15 | |
| DIN | ?d1 | 16.3 | 20.3 | 25.3 | 32.3 | 40.3 | 50.3 | 63.3 | 75.3 | 90.3 | 110.4 |
| ?d2 | 15.9 | 20.1 | 25.1 | 32.1 | 40.1 | 50.1 | 63.1 | 75.1 | 90.1 | 110.1 | |
| I | 14 | 16 | 19 | 22 | 26 | 31 | 38 | 44 | 51 | 61 | |
| BS | ?d1 | 17.5 | 21.5 | 26.9 | 33.7 | 42.4 | 48.4 | 60.5 | 75.5 | 89.1 | 114.5 |
| ?d2 | 16.8 | 21.3 | 26.7 | 33.5 | 42.2 | 48.2 | 60.3 | 75 | 88.8 | 114.1 | |
| I | 19.05 | 16.5 | 19.5 | 22.5 | 27 | 30 | 36 | 44.45 | 47.63 | 57.15 | |
| thd./in | NPT | 18 | 14 | 14 | 11.5 | 11.5 | 11.5 | 11.5 | 8 | 8 | 8 |
| BSPT | 19 | 14 | 14 | 11 | 11 | 11 | 11 | 11 | 11 | 11 | |
| ?D | 38 | 46 | 55 | 66 | 82 | 98 | 119.5 | 140 | 163 | 225 | |
| ?d | 12.3 | 13.5 | 16.5 | 22.1 | 29.8 | 38 | 48 | 63 | 75 | 100 | |
| H | 48 | 55 | 63 | 71 | 86.5 | 89 | 96.5 | 113 | 126 | 162 | |
|
SIZE Nom |
1/2" (15mm) |
3/4" (20mm) |
1" (25mm) |
1-1/4" (32mm) |
1-1/2" (40mm) |
2" (50mm) |
| ?d1 | 21.54 | 26.87 | 33.65 | 42.42 | 48.56 | 60.63 |
| ?d2 | 21.23 | 26.57 | 33.27 | 42.07 | 48.11 | 60.17 |
| I | 17.8 | 18.7 | 22.7 | 24.3 | 28.3 | 29.9 |
| ?D | 41 | 47.4 | 58.2 | 70.1 | 80.5 | 94 |
| ?d | 18 | 22.5 | 29 | 38 | 43.5 | 55.5 |
| H | 43 | 45.3 | 58.1 | 58.8 | 68.4 | 72.1 |
|
SIZE Nom |
1/2" (15mm) |
3/4" (20mm) |
1" (25mm) |
1-1/4" (32mm) |
1-1/2" (40mm) |
|
| ?d1 | 16.08 | 22.45 | 28.83 | 35.2 | 41.66 | |
| ?d2 | 15.72 | 22.1 | 28.47 | 34.85 | 41.2 | |
| I | 12.7 | 17.78 | 22.86 | 27.94 | 33 | |
| ?d | 12 | 18.5 | 24.5 | 26 | 35 | |
| ?D | 35 | 46 | 55 | 66 | 82 | |
| H | 47 | 55.2 | 63 | 70.1 | 86 | |



