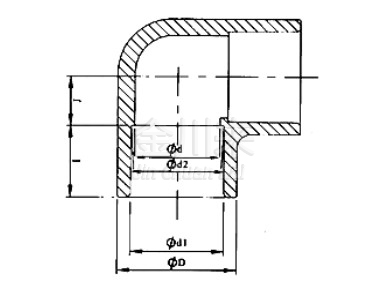
ANSI SCH80
|
Size |
Do |
d1 |
d2 |
I |
d |
H |
L |
|
1/2″ |
30.5 |
21.54 |
21.23 |
24.22 |
16 |
37 |
52.5 |
|
3/4″ |
38 |
26.87 |
26.57 |
27.4 |
22 |
42.5 |
60.5 |
|
1″ |
44 |
33.66 |
33.27 |
30.58 |
28 |
49 |
71 |
|
1-1/4″ |
54 |
42.42 |
42.04 |
34.75 |
35 |
58 |
85 |
|
1-1/2″ |
60 |
48.56 |
48.11 |
37.93 |
43 |
64 |
94 |
|
2″ |
73 |
60.63 |
60.17 |
41.1 |
54 |
73 |
109.5 |
|
2-1/2″ |
89 |
73.38 |
72.85 |
47.45 |
65 |
86 |
130.5 |
|
3″ |
106 |
89.31 |
88.70 |
50.63 |
80 |
99 |
152 |
|
4″ |
133 |
114.76 |
114.07 |
60.15 |
100 |
119 |
185.5 |
|
5″ |
162 |
141.81 |
141.04 |
70 |
134 |
149 |
230 |
|
6″ |
192 |
168.83 |
168 |
79.2 |
150 |
168 |
264 |
|
8″ |
246 |
219.84 |
218.69 |
104.6 |
200 |
220 |
343 |
|
10″ |
306.5 |
273.81 |
272.67 |
130 |
265 |
280 |
433 |
|
12″ |
364 |
324.61 |
323.47 |
155 |
315 |
335 |
517 |
|
14″ |
397 |
356.49 |
355.22 |
180 |
346 |
428 |
626 |
GB PN10/DIN PN16
|
Size |
∮d1 |
∮d2 |
∮D |
∮d |
I |
L |
|
1/2″(15mm) |
20.3 |
19.9 |
26 |
16 |
16 |
11 |
|
3/4″(20mm) |
25.3 |
24.9 |
32 |
20 |
19 |
13.5 |
|
1″(25mm) |
32.3 |
31.9 |
41 |
27 |
22 |
18 |
|
1-1/4″(32mm) |
40.3 |
39.9 |
50.5 |
34 |
26 |
22 |
|
1-1/2″(40mm) |
50.3 |
49.9 |
63.2 |
44 |
31 |
27 |
|
2″(50mm) |
63.3 |
62.9 |
79.5 |
57 |
38 |
33.5 |
|
2-1/2″(65mm) |
75.35 |
74.9 |
93 |
73.5 |
44 |
41.6 |
|
3″(80mm) |
90.5 |
89.9 |
112 |
89.9 |
51 |
48 |
|
4″(100mm) |
110.6 |
109.9 |
133.1 |
107 |
61 |
58 |
|
5″(125mm) |
140.85 |
140.05 |
163 |
136 |
77 |
74 |
|
6″(150mm) |
160.85 |
160.05 |
186 |
155.5 |
86 |
83 |
|
8″(200mm) |
226.25 |
225.06 |
261 |
220 |
118 |
115.5 |
|
10″(250mm) |
251.45 |
250.05 |
290 |
239 |
131 |
128 |
|
12″(300mm) |
316.85 |
315.05 |
364 |
304 |
163 |
163 |
|
14″(350mm) |
356.85 |
355.05 |
396.5 |
346 |
180 |
248 |



